
| |
![]() |
|
【產品用途】
XD371X-10、XD371X-16 型對夾式信號蝶閥適用于消防系統中控制閥門,要求常開的場合,當閥門開或關到指定位置時,閥門上的信號裝置便可發出信號送到消防檢測中心可以顯示出蝶閥開啟或關閉,以防止閥門誤關閉而影響自動噴水滅火功能。
【性能參數】
型號 | XD371X-10 | XD371X-16 | |
工作壓力(MPa) | 1.0 | 1.6 | |
適用溫度(℃) | ≤65 | ||
適用介質 | 水等 | ||
材料 | 閥體 | 鑄鐵 | |
蝶板 | 球墨鑄鐵(表面尼龍覆層) | ||
閥桿 | 鉻不銹鋼 | ||
閥座 | 丁晴橡膠 | ||
填料 | O形橡膠圈 | ||
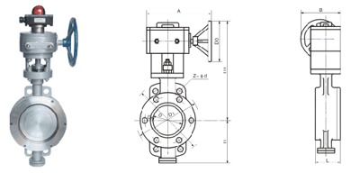
主要外形和連接尺寸
XD71X-10 | ||||||||
通徑(mm) | L | D | K | n-Фd | H | H1 | W | W1 |
50 | 43 | 165 | 125 | 4-Ф18 | 80 | 320 | 266 | 90 |
65 | 46 | 185 | 145 | 4-Ф18 | 89 | 330 | 266 | 90 |
80 | 46 | 200 | 160 | 8-Ф18 | 95 | 340 | 266 | 90 |
100 | 52 | 220 | 180 | 8-Ф18 | 114 | 360 | 266 | 90 |
125 | 56 | 250 | 210 | 8-Ф18 | 127 | 380 | 266 | 90 |
150 | 56 | 285 | 240 | 8-Ф22 | 139 | 390 | 266 | 90 |
200 | 60 | 340 | 295 | 8-Ф22 | 175 | 525 | 125 | 90 |
250 | 68 | 395 | 350 | 12-Ф22 | 203 | 555 | 125 | 90 |
300 | 78 | 445 | 400 | 12-Ф22 | 242 | 610 | 190 | 90 |
【結構圖片】

浙江以法他閥門有限公司專業生產鍛鋼閥門,鍛鋼閘閥,鍛鋼截止閥產品廣泛應用于石油、化工、冶金、電力、軍工、造紙、及工程配套行業,愿與天下有識之士一起,為中國閥門工業的騰飛和進步做出更大的貢獻!
浙江以法他閥門有限公司專業生產鍛鋼閥門,鍛鋼閘閥,鍛鋼截止閥產品廣泛應用于石油、化工、冶金、電力、軍工、造紙、及工程配套行業,愿與天下有識之士一起,為中國閥門工業的騰飛和進步做出更大的貢獻!
浙江以法他閥門有限公司專業生產鍛鋼閥門,鍛鋼閘閥,鍛鋼截止閥產品廣泛應用于石油、化工、冶金、電力、軍工、造紙、及工程配套行業,愿與天下有識之士一起,為中國閥門工業的騰飛和進步做出更大的貢獻!